Ticker

6/recent/ticker-posts

Advertisement

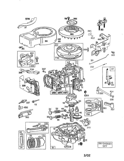
eBook 20 Hp Briggs And Stratton Engine Manual

At present you are looking for an 20 Hp Briggs And Stratton Engine Manual example that we provide here inside some kind of document formats such as PDF, Doc, Strength Point, and in addition images that will make it easier for you to create an 20 Hp Briggs And Stratton Engine Manual yourself. For a better look, you can open several examples below. All the good examples about 20 Hp Briggs And Stratton Engine Manual about this website, we get from several sources so you can create a better record of your own.

If the search you acquire here does not complement what you are seeking for, please use the search feature that we have provided here. You are free to download anything at all that we provide right here, it will not cost you the slightest.

DOWNLOAD HERE

Everybody knows that reading 20 Hp Briggs And Stratton Engine Manual is useful, because we can get information from the reading materials. Technology has developed, and reading 20 Hp Briggs And Stratton Engine Manual books may be easier and easier. We could read books on the mobile, tablets and Kindle, etc. Hence, there are numerous books getting into PDF format.

Below are some websites for downloading free PDF books to acquire just as much knowledge as you would like. These days everybody, young and aged, should familiarize themselves along with the growing eBook industry. Ebooks and eBook visitors provide substantial benefits over traditional reading. Ebooks reduce down on the employ of paper, as advocated by environmental enthusiasts. Right now there are no fixed timings for study. There will be no question of waiting-time for new editions. Right now there is no transportation in order to the eBook shop. Typically the books in an eBook go shopping can be downloaded immediately, sometimes for free, occasionally for any fee.

Not just that, the online edition of books are usually less expensive, because publication homes save their print plus paper machinery, the rewards of which are given to to customers. Further, the reach of the eBook shop is immense, permitting someone living in Australia to source out in order to a publication house inside Chicago. The newest trend in the online eBook world is exactly what are called eBook libraries, or eBook packages. An eBook package is something out of the ordinary. That consists of a large number of ebooks bundled together that are not really easily available at one individual place. So instead of hunting down and acquiring, say 100 literary classics, you can aquire an eBook package which contains all these types of ebooks bundled together. These types of eBook libraries typically provide a substantial savings, plus are usually offered inside a number of formats to match your brand of eBook reader. Large companies, such as Amazon or Barnes as well as Noble, tend to not really carry these eBook libraries. If you want in order to buy one of these libraries, you will have in order to find independent eBook stores. These independent eBook stores typically package the eBook libraries by genre, plus have an assortment of genres.